|
|
 |
|
 |
|
 |
|
 |
|
 |
|
 |
|
 |
|
 |
|
 |
|
 |
 |
Why Prismatic? |
 |
|
 |
 |
| • IT Services |
| • Software Development |
| • CAD/CAM/CAE |
| • Placement Assistance |
|
|
|
| • Experienced Developers |
| • Automation/Embedded System |
|
|
 |
|
 |
|
|
|
 |
 |
|
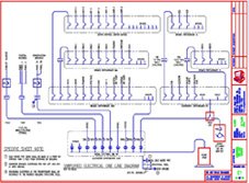
| Electrical CAD allows an electrical engineer to create and manage electrical schematics, which means helps to create circuit diagrams .electrical documentation.
|
|
E-CAD is to create harnesses using among logic information provided from the user geometrical information from the system. Electrical components within any kind of construction
|
|
|
|
need to be connected with harnesses. This can be components like PCBs (printed circuite boards), controls, drives, gauges or any other kind which has to be connected either to just provide electrical energy or to exchange information. These components are located anywhere in the construction and the harness has to connect them with their correspondents. |
| |
For electrical controls designers, it includes all the functionality and complete set of electrical features, including comprehensive symbol libraries and tools for automating electrical design tasks. |
| |
|
|
• Dynamically generate rules-based electrical control circuits.
• Extract a list of electrical schematic components for panel layout drawings.
• Run multiple reports with the simple, customizable report generation tool.
|
|
 |
|
|